Beschreibung
Der Konsolenträger Typ 41 dient als Stützelement für die Küchentheke. Er zeichnet sich durch ein klassisches, rundes Design aus und hat eine gerade Form. Mit ihrer zeitlosen Optik lässt sich die Konsole in jedes Küchenkonzept integrieren. Durch die Fertigung aus Edelstahl besticht sie mit einer langlebigen und robusten Qualität. Auch pflegeleichte Eigenschaften kennzeichnen das Material. Dank der Schraubbefestigung ist die Stützkonsole schnell und ohne großen Aufwand montiert. Die Theke lässt sich durch optionales Zubehör wie einer Glasadapterscheibe ergänzen, die durch einen Glaser verklebt werden sollte.
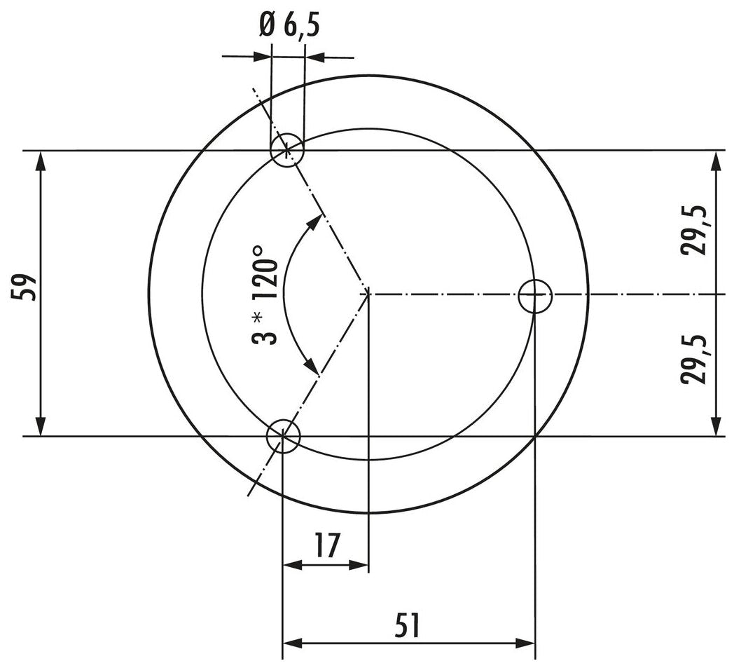
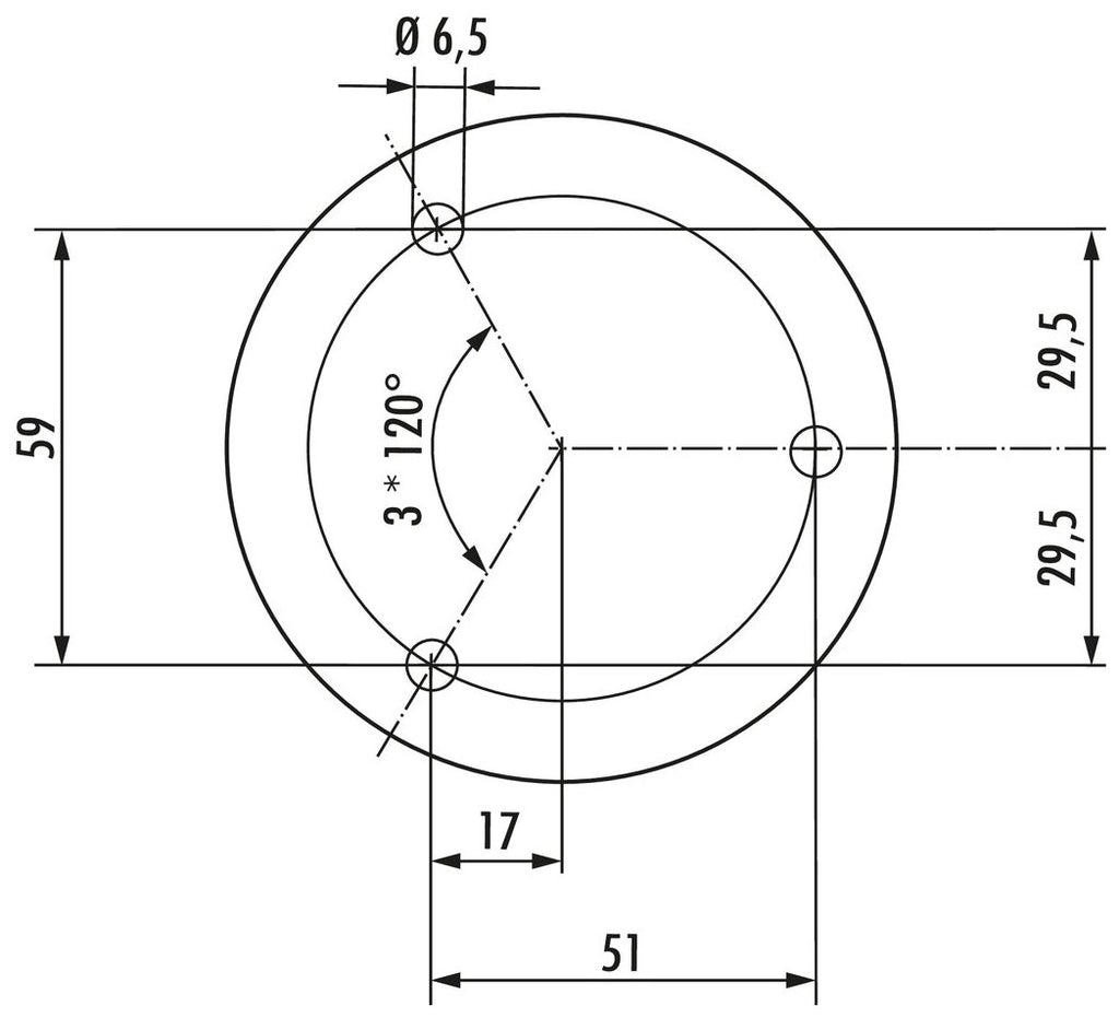
Konsole. Mit Schraubbefestigung.
— max. Tragkraft pro Paar von ca. 60 kg bei gleichmäßig verteilter Last, bei einem max. Abstand der Konsolen von 900 mm und einem max. Überstand der Platten von 250 mm
Bei Verwendung der Glasadapterscheibe (3021056) sollte die Verklebung durch einen Glaser erfolgen.
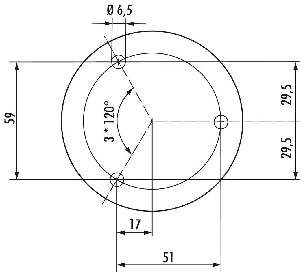
Konsole. Mit Schraubbefestigung.
— max. Tragkraft pro Paar von ca. 60 kg bei gleichmäßig verteilter Last, bei einem max. Abstand der Konsolen von 900 mm und einem max. Überstand der Platten von 250 mm
Bei Verwendung der Glasadapterscheibe (3021056) sollte die Verklebung durch einen Glaser erfolgen.






